
一:產品介紹
用于平滑濾波,降低瞬變電壓dv/dt,延長點擊壽命。可以降低電機噪音,減低過流損耗。降低輸出高次諧波造成的漏電流。保證變頻器內部的功率開關器件
二:技術參數
額定工作電壓:380V/500V/690V/1140V 50Hz/60Hz
額定工作電流:5A至1600A
工作環境溫度:40℃
抗電強度:鐵芯-繞組3000VAC/50Hz/5Ma/10s無飛弧擊穿(工廠測試)
絕緣電阻 :1000VDC絕緣阻值≥100MΩ
電抗器噪音:小于80dB(與電抗器水平距離點1米測試)
防護等級:IP00
絕緣等級:F級以上
產品執行標準:GB19212.1-2008,GB19212.21-2007,1094.6-2011

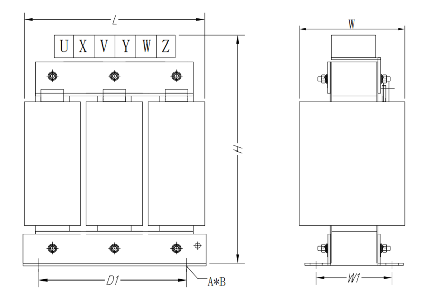
A-1

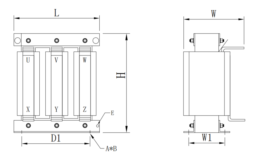
A-2

A-3
三:型號參數
電抗器 型號 | 適配 功率 | 系統 電壓 | 壓降 | 絕緣 等級 | 重量 (KG) | 尺寸(±5) | A*B (±5) | 參照 圖紙 |
L | W | H | D1 | W1 |
RTD-ACL-0005-4T | 1.5KW | 380V/ 500V | 1-2% | F/H | 5 | 150 | 100 | 160 | 60 | 80 | 7*15 | A-1 |
RTD-ACL-0007-4T | 2.2KW | 6 | 150 | 100 | 160 | 60 | 80 | 7*15 | A-1 |
RTD-ACL-0010-4T | 3.7KW | 7 | 150 | 100 | 160 | 60 | 80 | 7*15 | A-1 |
RTD-ACL-0015-4T | 5.5KW | 7 | 150 | 100 | 160 | 60 | 80 | 7*15 | A-1 |
RTD-ACL-0020-4T | 7.5KW | 8 | 150 | 100 | 160 | 60 | 90 | 7*15 | A-1 |
RTD-ACL-0030-4T | 11KW | 9 | 150 | 100 | 160 | 60 | 95 | 7*15 | A-1 |
RTD-ACL-0040-4T | 15KW | 11 | 150 | 100 | 160 | 60 | 95 | 7*15 | A-1 |
RTD-ACL-0050-4T | 18.5W | 12 | 180 | 120 | 190 | 80 | 80 | 10*20 | A-1 |
RTD-ACL-0060-4T | 22KW | 13 | 180 | 120 | 190 | 80 | 80 | 10*20 | A-1 |
RTD-ACL-0080-4T | 30KW | 15 | 230 | 150 | 240 | 190 | 85 | 12*25 | A-1 |
RTD-ACL-0090-4T | 37KW | 15 | 230 | 150 | 240 | 190 | 85 | 12*25 | A-1 |
RTD-ACL-0120-4T | 45KW | 17 | 230 | 160 | 190 | 190 | 85 | 12*25 | A-2 |
RTD-ACL-0150-4T | 55KW | 20 | 230 | 160 | 190 | 190 | 85 | 12*25 | A-2 |
RTD-ACL-0200-4T | 75KW | 25 | 230 | 170 | 250 | 190 | 90 | 12*25 | A-2 |
RTD-ACL-0250-4T | 110KW | 27 | 230 | 210 | 250 | 190 | 90 | 12*25 | A-2 |
RTD-ACL-0290-4T | 132KW | 30 | 230 | 210 | 250 | 190 | 100 | 12*25 | A-2 |
RTD-ACL-0330-4T | 160KW | 35 | 230 | 210 | 250 | 190 | 100 | 12*25 | A-2 |
RTD-ACL-0390-4T | 185KW | 37 | 230 | 210 | 240 | 190 | 105 | 12*25 | A-2 |
RTD-ACL-0490-4T | 220KW | 45 | 270 | 220 | 250 | 220 | 120 | 12*25 | A-3 |
RTD-ACL-0530-4T | 250KW | 50 | 270 | 220 | 250 | 220 | 120 | 12*25 | A-3 |
RTD-ACL-0600-4T | 280KW | 57 | 330 | 220 | 360 | 260 | 110 | 12*25 | A-3 |
RTD-ACL-0660-4T | 300KW | 62 | 330 | 240 | 360 | 260 | 120 | 12*25 | A-3 |
RTD-ACL-0800-4T | 380KW | 70 | 360 | 260 | 360 | 280 | 125 | 12*25 | A-3 |